

昆山市拓恒機電有限公司
馮先生 137-7635-6532
E-mail: kstuoheng@126.com
江蘇省昆山市經濟技術開發區
金沙江南路16號3號廠房
產品介紹:
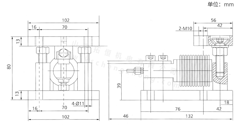
TH-UW系列稱重模塊采用高精度波紋管傳感器,配以上下底板及限位機構,采用自復位球面壓頭組成的稱重模塊;具有結構緊湊,量程寬,安裝方便,稱量穩定,安全可靠自我復位等特點;又可以很方便地跟各種容器或器件相連,解決了幾乎所有因安裝不當產生的誤差,安裝方式多樣化,適用于各種惡劣環境,以達到精確計量的目的;特別適用于動載或者靜載的反應釜、流水線等稱重。
模塊材質有合金鋼材質(TH-UWCS型)和304不銹鋼材質(TH-UWSS型);
技術參數:
? 量程:5kg,10kg,20kg,50kg,100kg,200kg,300kg,500kg
? 安全過載:150% F.S
? 適用溫度:-20℃~60℃
? 防護等級:IP67/IP68
? 線性/重復性:2d
? 靈敏度:2mv/V+0.01
? 非線性:±0.02% F.S.
? 準確度等:C3
? 顯示:6位紅色高亮LED顯示,讀數清晰,顯示直觀
? 置零范圍:滿量程
? 反應速度快,靈敏度高:(1) 從加載起到達穩定所需時間短;(2) 從貨物移除起到達零點之速度快,無殘留;(3) 置零、去皮鍵啟動反應速度快
? 獨特的稱重穩定處理程序,抗震動性更強
? 抗干擾性能強,可靠性高
? 材質可選:合金鋼,不銹鋼
? 防爆可選:非防爆、本安型防爆、隔爆型
? 電源可選:AC220V;DC24V;內置6V蓄電池
? 選配件:顯示器支架,大屏幕顯示器,標簽打印機,高精度配置,防爆配置,稱重記錄U盤存儲功能,重量超限報警功能等
? 通訊端口可選:RS232、RS485(ModBus RTU)、4-20mA模擬量、0-10V模擬量、ModBus TCP、Profibus-DP、PROFINET、藍牙、WIFI、USB直讀等

結構特點:
? 結構緊湊,長期穩定性好
? 有過載和限位機構,安全可罪
? 采用搖擺支撐結構,具有自復位功能保證計量精度
? 帶可靠的接地裝置












